
Logistické centrum LCR7 – HALA A, Kostolné Kračany
Názov: LOGISTICKÉ CENTRUM LCR7 – HALA A, Kostolné Kračany
Lokalita: Kostolné Kračany
Klient: STAT-KON s.r.o
Rok projekcie: 2025
Popis: Projekt na stavebné povolenie
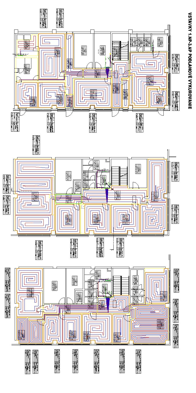
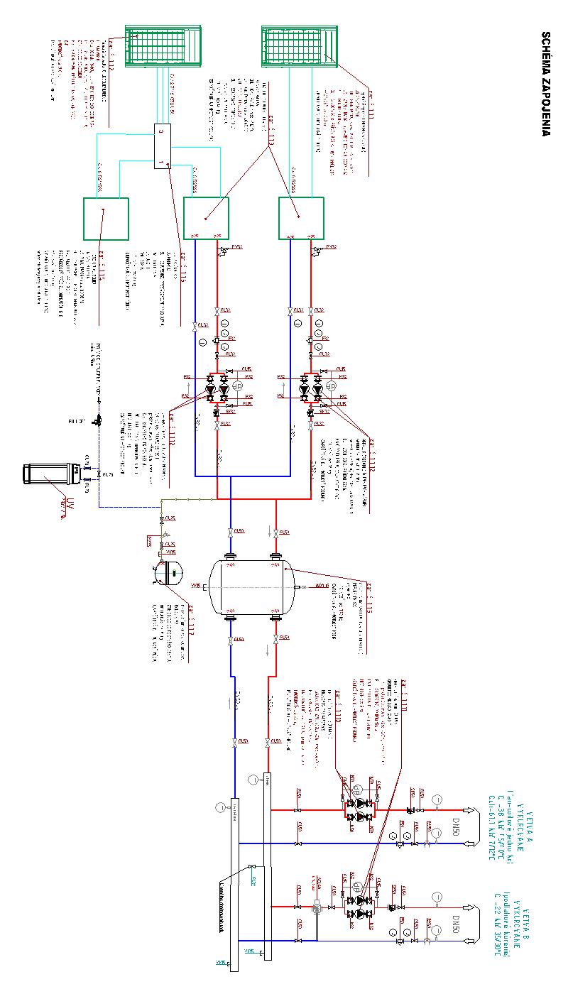
Projektovaným objektom je LOGISTICKÉ CENTRUM LCR7 – Hala A nachádzajúci sa v obci Kostolné Kračany. Projektová dokumentácia bola vypracovaná pre potreby stavebného povolenia a rieši profesie vykurovanie, chladenie a vzduchotechniku (UK/CH + VZT). Vykurovanie halového priestoru je navrhnuté pomocou plynových infražiaričov, ktoré zabezpečujú efektívne sálavé vykurovanie s ohľadom na veľký objem priestoru. Stropné ventilátory, zabezpečujú odvod vzduchu z haly. V administratívnych a vstavkových priestoroch je riešené nútené vetranie prostredníctvom vzduchotechnických zariadení. Chladenie týchto priestorov je zabezpečené podstropnými klimatizačnými jednotkami. Vykurovanie vstavkov je navrhnuté pomocou vykurovacích telies, dimenzovaných na krytie tepelných strát jednotlivých miestností. Navrhnuté technické riešenie spĺňa platné normy a predpisy a zabezpečuje požadovaný tepelný komfort, kvalitu vnútorného prostredia a energetickú hospodárnosť objektu.







